|
|
MECH 200
Engineering Drawing Lab 4: 3D Solid Modeling using Pro/ENGINEER |
Objective
Introduction & Concepts
Pro/E (Pro/ENGINEER) is a suite of programs that are used in the design,
analysis, and manufacturing of mechanical parts. In short, Pro/ENGINEER is a parametric, feature-based
solid modeling system.
"Feature-based" means that each feature builds upon
the previous feature, creating model one feature at a time. Individually each
feature can be simple, but collectively can form complex parts and assembles.
"Parametric" means that models are driven by
dimension values. If a dimension of a feature is changed, that sold feature
will update. This change will then automatically propagate through the
remaining features in the models, updating the entire parts.
"Solid Modeling" means
that 3D solid models you create is able to contain all the
"information" that a real solid object would have. Based on material properties such as
density, these models have mass, volume, surface area and other physical
properties such as a center of gravity.
For this laboratory, you will learn Part and Drawing
modes of Pro/E.
Pro/E Part mode allows a user to create 3D object from
2D profile using Sketcher.
The Sketcher is best described as a submode of Part
mode. You could regard it as a 2D drafting board with the 3D environment. In Pro/E, 3D objects begin as 2D
outlines. After the 2D outline is
defined with x and y dimensions, it is given a z dimension, or depth, that
bring it to 3D. The purpose of Sketcher
is to let you literally sketch an imprecise or exaggerated 2D profile of the
part you want to create. From 2D
profile, 3D object can be created by extruding, revolving, blending or
sweeping.
Pro/E Drawing mode allows a user to create detailed
drawing of previously created parts and assemblies. Engineering drawings are critical for
communicating design ideas.
Pro/ENGINEER Tutorials
Introduction to Pro/E: This tutorial will teach you
the basic features of Pro/E including how to access part files, manipulate the
display, and orient parts.
Basic Modeling Techniques: These lessons will
introduce you to the general procedures for creating sketched features. You
will learn basic operations by creating a simple part from sketched feature
using an extruded protrusion (tutorial 1&2).
Engineering
Drawing: In this tutorial, you will learn the fundamentals of drawing mode
while creating engineering drawings of a part (tutorial 7).
Procedures
Deliverables
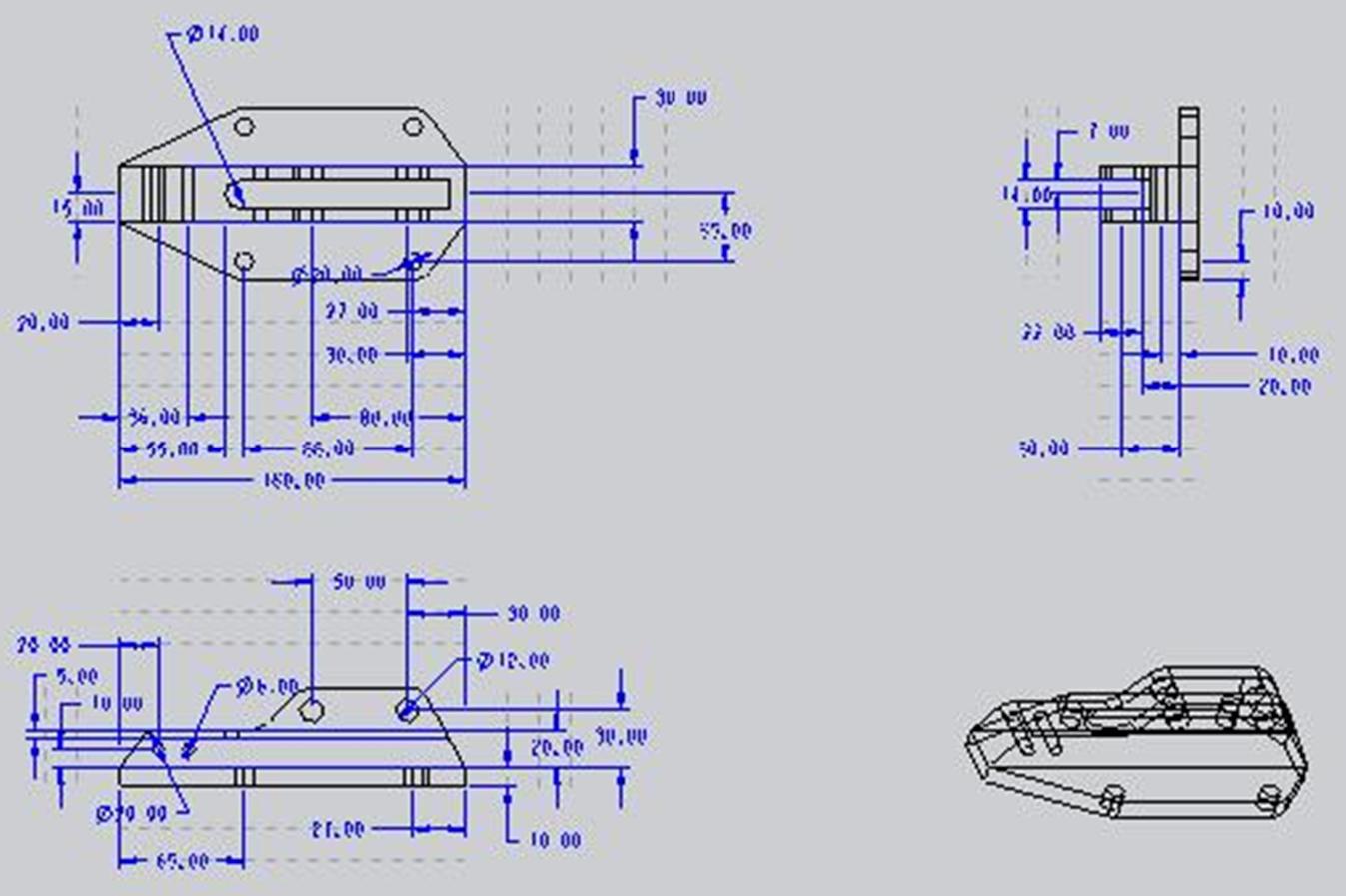
Create a solid model of the bracket as shown in Figure
1.
Create engineering drawings from a previous created
bracket with dimension on A2 paper.
Create section view across plane (top) in Figure 1 on
A2 paper.

Figure 1: The bracket
generated by Pro/E
Figure 2: Engineering drawings generated from the
bracket